Manuel utilisateur Nissan
Nissan Juke Hybrid 2024 Manuels d’utilisation
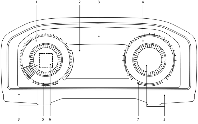
3.7.2. Modèles avec affichage plein écran

- Jauge de puissance ()
- Ecran d'informations du véhicule ()
- Témoins lumineux et d'avertissement ()
- Compteur de vitesse ()
- Témoin de charge de la batterie ()
- Affichage personnel ()
- Jauge à carburant ()

Pour le nettoyage, utilisez un chiffon doux légèrement humidifié. N'utilisez jamais de chiffon rugueux, d'alcool, d'essence, de diluant, de solvant ou de serviettes en papier imprégnées d'agents nettoyants chimiques. Ces éléments risqueraient de rayer ou de décolorer la lentille.
N'aspergez pas de liquides tels que de l'eau sur la lentille des instruments. Toute aspersion de liquide provoquerait un dysfonctionnement du système.
Manuels d’utilisation